Product Summary
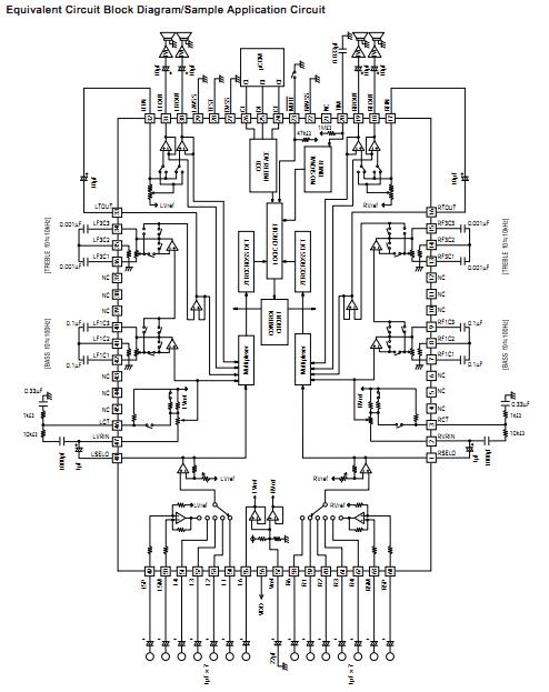
The LC75412 is an electronic volume controller that enables control of volume, balance, fader, bass/treble, loudness, input switching, and input gain using only a small number of external components.
Parametrics
LC75412 absolute maximum ratings: (1)Maximum supply voltage, VDD max: 11 V; (2)Maximum input voltage, VIN max: VSS – 0.3 to VDD + 0.3 V; (3)Allowable power dissipation, Pd: 680mW; (4)Operating temperature, Topr: –40 to +85℃; (5)Storage temperature, Tstg: –50 to +125℃.
Features
LC75412 features: (1)On-chip buffer amplifier cuts down number of external components; (2)Low switching noise generated by on-chip switch through use of silicon gate CMOS process, for low switching noise when there is no signal; (3)Low switching noise when there is a signal due to use of on-chip zero-cross switching circuit; (4)On-chip 1/2 VDD reference voltage circuit; (5)Controls performed with serial input (CCB).
Diagrams

| Image | Part No | Mfg | Description | ![]() |
Pricing (USD) |
Quantity | ||||
|---|---|---|---|---|---|---|---|---|---|---|
![]() |
![]() LC75412E |
![]() Other |
![]() |
![]() Data Sheet |
![]() Negotiable |
|
||||
![]() |
![]() LC75412W |
![]() Other |
![]() |
![]() Data Sheet |
![]() Negotiable |
|
||||
![]() |
![]() LC75412WS |
![]() Other |
![]() |
![]() Data Sheet |
![]() Negotiable |
|
||||
(China (Mainland))









